经典案例

Case study

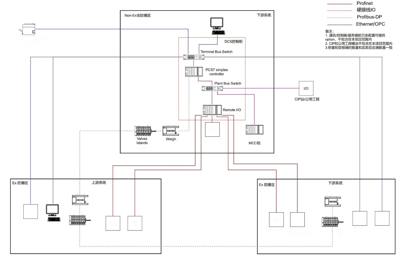
某制药公司福建原料药车间自控系统
PCS7 Project for the API Manufacturing Facility in Fujian

提供了一套基于Siemens PCS7平台的自动化演示系统来实现对合成车间、回收车间、罐区、无菌原料药车间和制剂车间生产的批量自动化控制,全自动化完成罐区打料、初始化检查、惰性化、加液体溶媒、固体投料、TCU控温、滴加控PH、加萃取剂等工艺流程,并将相关层析、旋转蒸发仪、干燥箱、中低压制备、TCU机组、高低温一体机、干式螺杆真空泵、洗涤过滤干燥三合一、离心机、纯化水系统、冷水机组、冷却塔、制氮机、无油变压真空机以及空调系统等第三方设备通过PN通讯、Modbus RTU、Modbus TCP、硬接线等方式将实时数据集成到DCS系统中实现实时监控数据及报警,还可实现远程控制。

该系统硬件基于AS410-5H冗余控制器, 搭配ET200 Smart+及对应AI, AO, DI, DO等卡件。该系统采用服务器/客户机架构,通过VMware虚拟化架构集成域控服务器,OS冗余服务器,Batch冗余服务器以及PH冗余服务器,ES站及操作员站为独立PC分别位于中控室及车间现场。

提供了完整了质量管理文档,在PCS7系统上配置电子签名,审计追踪,用户管理,数据安全性等GAMP相关功能,并完成相关CSV验证。


A demonstration automation system based on the Siemens PCS7 platform has been implemented to achieve batch automation control for production in synthesis workshops, recovery workshops, tank farms, sterile API workshops, and formulation workshops. It fully automates processes such as tank feeding, initialization checks, inertization, liquid solvent addition, solid material charging, TCU temperature control, pH-controlled dropping, and extractant addition. Real-time data from third-party equipment—including chromatographs, rotary evaporators, drying ovens, medium/low-pressure preparation systems, TCU units, integrated high/low-temperature machines, dry screw vacuum pumps, washing-filtering-drying tri-function units, centrifuges, purified water systems, chillers, cooling towers, nitrogen generators, oil-free vacuum machines, and air conditioning systems—are integrated into the DCS system via PN communication, Modbus RTU, Modbus TCP, and hardwiring. This enables real-time monitoring, alarm management, and remote control.

The system hardware is based on AS410-5H redundant controllers, paired with ET200 Smart+ modules and corresponding AI, AO, DI, DO cards. It adopts a server/client architecture, integrating domain control servers, OS redundant servers, Batch redundant servers, and PH redundant servers within a VMware virtualization framework. Engineering stations and operator stations are standalone PCs located in the central control room and workshop areas respectively.

Comprehensive quality management documentation has been provided. The PCS7 system has been configured with GAMP-related functions, including electronic signatures, audit trails, user management, and data security, along with completion of the corresponding CSV validation.

成都某生物技术有限公司
DeltaV Project in Chengdu

本项目基于DeltaV自动化平台,在既有服务器架构中无缝集成超滤与深层过滤控制功能。控制器层级以下采用开放式工业以太网协议EtherNet/IP实现高效通讯,稳定连接西门子ET200系列分布式I/O机架及相关功能卡件,并集成第三方关键工艺检测仪表(如pH、电导、压力、温度、浊度传感器等),构建符合数据完整性要求的自动化控制平台。 组态符合cGMP法规要求,提供完整深层过滤与超滤系统解决方案。该系统部署于不同洁净级别的生产环境中:在D级洁净区执行深层过滤,有效去除样品中的菌体碎片与颗粒杂质;在C级洁净区执行超滤浓缩与渗滤操作,分别实现目标产物的浓度提升与缓冲液置换。深层过滤系统集成进料泵、进样流路、透过液流路、CIP清洗流路及排液流路,所有流路切换均由气动隔膜阀自动控制。超滤系统功能更为全面,除涵盖以上流路外,另外专门集成了膜完整性测试气体流路与透过液循环流路,同样通过高可靠性的气动隔膜阀实现全自动流路切换与工艺控制。


This project is based on the DeltaV automation platform, seamlessly integrating ultrafiltration and depth filtration control functions into the existing server architecture. Below the controller level, the open industrial Ethernet protocol EtherNet/IP is adopted to enable efficient communication, stably connecting Siemens ET200 series distributed I/O racks and related functional cards. The platform integrates key third-party process detection instruments (such as pH, conductivity, pressure, temperature, turbidity sensors, etc.) to establish an automated control platform that complies with data integrity requirements. The configuration meets cGMP regulatory requirements and provides a comprehensive depth filtration and ultrafiltration system solution. The system is deployed in production environments with different cleanliness levels: depth filtration is performed in a Grade D clean area to effectively remove cell debris and particulate impurities from samples; ultrafiltration concentration and diafiltration operations are carried out in a Grade C clean area to increase the concentration of target products and perform buffer exchange, respectively. The depth filtration system integrates feed pumps, sample flow paths, permeate flow paths, CIP cleaning flow paths, and drainage flow paths, with all flow path switching automatically controlled by pneumatic diaphragm valves. The ultrafiltration system offers more comprehensive functionality, including all the flow paths as well as dedicated integrated membrane integrity test gas flow paths and permeate recirculation flow paths. Similarly, fully automated flow path switching and process control are achieved through highly reliable pneumatic diaphragm valves.

上海某生物工程有限公司寡核苷酸项目
Oligonucleotide Project for a biotechnology Co., Ltd. in Shanghai

本项目将依据生产车间楼层、产线及上下游工段等原则对管道与罐体系统进行划分,采用具备Batch功能的SIEMENS PCS7平台作为控制系统。系统架构基于410-5H CPU,CPU与I/O模块之间通过Profinet环网实现通讯,整体采用服务器-客户端模式,并配备相应数量的HMI工控机。所有电子电气设备均需满足所属区域的防爆要求。

人机界面(HMI)的画面风格与逻辑控制程序将严格依据用户规范进行开发与组态,最终形成针对各程序的独立功能模块。

PCS7系统实现了对上游合成与下游纯化工艺的全面控制:脱保护剂、活化剂、硫化剂、碘液及后处理液等试剂的配制;对含DMF、氨水、乙醇、二氯乙酸等缓冲液管路的进料、排空与清洗;辅助合成仪完成寡核苷酸合成关键步骤:脱保护、偶联、加帽、氧化及切割。下游系统控制涵盖:浓碱罐、盐溶液罐、磷酸盐缓冲液罐等容器的进料与排料控制; 支持完成寡核苷酸的中和、退火及超滤纯化等。


This project will classify the pipeline and tank systems based on criteria such as production floor layout, process lines, and upstream/downstream stages. The control system employs the SIEMENS PCS7 platform with Batch functionality. The system architecture is built on a 410-5H CPU, with communication between the CPU and I/O modules realized via a Profinet ring network. The overall design adopts a server-client model and is equipped with a corresponding number of HMI industrial computers. All electronic and electrical equipment must comply with explosion-proof requirements applicable to their respective zones.

The Human-Machine Interface (HMI) screen layouts and logic control programs will be developed and configured strictly in accordance with user specifications, ultimately forming independent functional modules for each program.

The PCS7 system achieves comprehensive control over both upstream synthesis and downstream purification processes.

苏州某公司SCADA项目
SCADA Project in Suzhou

提供了一套基于Stratus ftServer的虚拟化SCADA解决方案,通过Siemens WinCC系统来实现对三抗上下游车间各个工艺单元的自动化系统的实时3D画面显示,关键信息收集,报警处理,历史数据归档,数据库备份,时间同步以及大屏显示等功能,并完成对PCS7系统的历史数据的迁移验证WinCC系统采用OPC DA通讯协议来实现对Siemens平台的工艺设备(生物反应器,除病毒过滤超滤,BMS,水系统等)的实时数据采集及报警处理,采用OPCUA通讯协议来实现对DeltaV平台的工艺设备(层析和在线配液)的实时数据采集及报警处理。


A virtualization SCADA solution based on Stratus ftServer has been provided, utilizing the Siemens WinCC system to achieve real-time 3D visual display of various process units in the upstream and downstream workshops of the three-resistance production line. This solution enables key information collection, alarm handling, historical data archiving, database backup, time synchronization, and large screen display functionalities, as well as completing the migration and validation of historical data from the PCS7 system. The WinCC system employs the OPC DA communication protocol for real-time data acquisition and alarm processing of process equipment on the Siemens platform (such as bioreactors, virus removal filtration ultrafiltration, BMS, water systems, etc.), and uses the OPC UA communication protocol for real-time data acquisition and alarm processing of process equipment on the DeltaV platform (such as chromatography and online liquid preparation).

某生物公司PCS7项目
PCS7 Project for a Biotech Company

提供了一套基于Siemens PCS7平台的自动化演示系统来实现对寡核苷酸生产用管罐系统的批量自动化控制,来完成裂解、脱保护、淬灭以及退火反应,并将相关合成仪、层析和超滤等第三方设备的实时数据集成到此平台上。 

该系统硬件基于S7-410 Smart CPU, 搭配ET200SP及对应AI, AO, DI, DO等卡件。该系统采用服务器/客户机架构,集成OS服务器,Batch服务器,OS客户机,Batch客户机在两台IPC上,其中1台客户机为防爆IPC。

提供了完整了质量管理文档,在PCS7系统上配置电子签名,审计追踪,用户管理,数据安全性等GAMP相关功能,并完成相关CSV验证。


A demonstration automation system based on the Siemens PCS7 platform has been provided to achieve batch automation control for the tank system used in oligonucleotide production, facilitating processes such as cleavage, deprotection, quenching, and annealing reactions. The system integrates real-time data from third-party equipment like synthesizers, chromatography, and ultrafiltration onto this platform.

The system's hardware is based on the S7-410 Smart CPU, paired with ET200SP and corresponding AL, AO, DI, DO cards. It adopts a server/client architecture, integrating OS server, Batch server, OS client, and Batch client on two IPCs, one of which is an explosion-proof IPC.

Complete quality management documentation has been provided, configuring the PCS7 system with electronic signatures, audit trails, user management, data security, and other GAMP-related functions, and completing the relevant CSV validation.

广州某公司SCADA项目
SCADA Project in Guangzhou

提供了一套基于Stratus ftServer的虚拟化SCADA解决方案,通过Siemens WinCC系统来实现对中试车间及原液上下游车间各个工艺单元及辅助共用工程设备的自动化系统的实时3D画面显示,关键信息收集,报警处理,历史数据归档,数据库备份,时间同步以及大屏显示等功能,并完成对历史数据备份的验证。 

在WinCC平台之上,配置有数据管理平台,可以实现对WinCC系统采集的数据做数据统计分析,并通过各种报表,趋势图等工具展示工厂及车间运行状态。 

WinCC系统采用OPC DA通讯协议来实现对Siemens平台的工艺设备(生物反应器,除病毒过滤超滤,BMS,水系统,罐装系统等)的实时数据采集及报警处理,采用OPCUA通讯协议来实现对DeltaV平台的工艺设备(中试车间管罐系统、原液车间层析和在线配液)的实时数据采集及报警处理,采用Modbus TCP通讯网关来实现对现场水表,电表,蒸汽计量等共用设备的数据采集及报表统计。系统集成各个楼宇的分布式CCTV和WinCC平台为一体,集中显示到中控室大屏上。


A virtualization SCADA solution based on Stratus ftServer has been provided, utilizing the Siemens WinCC system to achieve real-time 3D visual display of various process units and auxiliary shared utility equipment in the pilot and bulk drug upstream and downstream workshops. This solution enables key information collection, alarm handling, historical data archiving, database backup, time synchronization, and large screen display functionalities, as well as completing the validation of historical data backup.

The WinCC system employs the OPC DA communication protocol for real-time data acquisition and alarm processing of process equipment on the Siemens platform (such as bioreactors, virus removal filtration ultrafiltration, BMS, water systems, filling systems, etc.), and uses the OPC UA communication protocol for real-time data acquisition and alarm processing of process equipment on the DeltaV platform (such as the pilot workshop tank system, bulk drug workshop chromatography, and online liquid preparation). The Modbus TCP communication gateway is used for data acquisition and report statistics of on-site water meters, electricity meters, steam meters, and other shared equipment. The system integrates distributed CCTV from various buildings with the WinCC platform, displaying them centrally on the large screen in the control room.

江苏某公司下游管罐项目
Downstream Pipeline and Tank Project in Jiangsu

胰岛素车间6t细胞培养下游管罐系统项目,该项目使用一套分散控制系统用来控制和监控如下系统数据:缓冲液配制模块、缓冲液存储模块、粗存模块、深层过滤设备、除病毒设备、超滤模块、下游CIP站。

在技术上我们采用了主流服务器虚拟化平台,可以更好的进行集中化管理,并提高硬件利用率及高可靠性。

软件上采用Emerson DeltaV Batch, 完全符合ANSI/ISA 88批处理控制标准,并基于类的概念创建单元类、phase类、EM类和CM类。

人机界面上使用DeltaV Live用于生产过程管理和监控的画面,包括以下主要部分:总貌、工艺流程、过程单元、批次界面,建立更友好的操作界面。


The Insulin production workshop 6T Cell downstream tank system project employs a distributed control system to monitor and control the following system data: buffer preparation module, buffer storage module, crude storage module, depth filtration equipment, virus removal equipment, ultrafiltration module, and downstream CIP station.

Technologically, we have adopted a mainstream server virtualization platform, which allows for better centralized management and improves hardware utilization and high reliability.

On the software side, Emerson DeltaV Batch is utilized, fully compliant with the ANSI/ISA 88 batch processing control standards, and creates unit classes, phase classes, EM classes, and CM classes based on the concept of classes.

For the human-machine interface, DeltaV Live is used for the management and monitoring screens of the production process, including the following main parts: overview, process flow unit, batch interface, to establish a more user-friendly operation interface.

武汉某生物公司自控设计项目
Automatic Control Design Project in Wuhan

项目内容涉及:

1. 增加生产前检查PHASE‌,确保了在生产开始前完成所有必要的检查工作并符合相关标准。

2. 增加批记录中的流速控制,并将流速控制数据集成到批记录中,以便追踪和分析生产过程中的流速变化情况。

3. 增加批报告参数‌,确保新增的批报告参数能够准确地反映产品的质量和生产过程的稳定性。

4. ‌对接批报告数据‌,与MES系统开发商协作,将批报告数据集成到MES系统中,以便进行后续的数据分析和处理‌。


The project content involves:

1. Adding a pre-production inspection PHASE to ensure that all necessary checks are completed and comply with relevant standards before production begins.

2. Incorporating flow rate control into the batch record and integrating flow rate control data into the batch record to track and analyze flow rate variations during the production process.

3. Adding batch report parameters to ensure that the new batch report parameters accurately reflect product quality and the stability of the production process.

4. Interfacing batch report data, collaborating with the MES system developer to integrate batch report data into the MES system for subsequent data analysis and processing.